Содержание пуста!
Y41-315
3150 мм
4000 мм
800 мм
350 мм
Калибровка и запрессовка вала и втулки
ТСД
контейнером со слоем мягкой пленки
Y41-315
Китай
8462919000
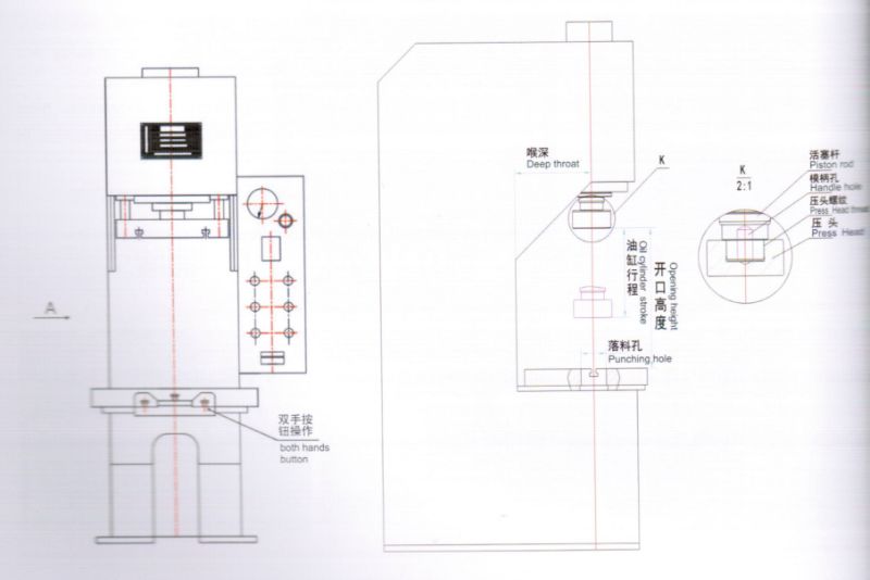
Глубокая глотка C Тип Пресс / Гидравлический Пресс
Модель: Y41-315
Функции:
- сварная рама машины для снятия внутреннего напряжения в печи
- тип C глубокая глотка
- Направляющий блок скольжения с высокой жесткостью, круглая направляющая
- Сдвиньте блок, соединяющий шток поршня масляного цилиндра, для перемещения вверх и вниз с помощью четырех направляющих колонок.
- С Т-образным пазом на рабочем столе и скользящим блоком, используемым для установки инструментов.
- Один поршневой цилиндр для достижения основного давления
- Закрытый масляный бак
- Функция защиты от перегрузки от нагрузки для гидравлической системы с небольшим воздействием
- Автономный электрический шкаф справа от машины
- Централизованная панель управления с рабочим индикатором
- с регулировкой и полуавтоматическими операциями
- Кнопка аварийного останова может остановить машину в чрезвычайных ситуациях
- С бесконтактным переключателем на точке изменения скорости, регулируемой точкой верхнего предела и фиксированной точкой хода для продления срока службы машины.
- Верхнее и нижнее предельные положения масляного цилиндра контролируются переключателями хода для обеспечения безопасной работы масляного цилиндра
Основные технические данные
| Нет. | имя | Единица измерения | Значение | |
| 1 | Номинальное давление | кН | 3150 | |
| 2 | Рабочее давление жидкости | Мпа | 25 | |
| 3 | Макс. Высота открытия | мм | 800 | |
| 4 | Инсульт | мм | 800 | |
| 5 | Глубина горла | мм | 350 | |
| 6 | Скорость плунжера | Приближаясь | мм / с | 80 |
| Работает | мм / с | 8-10 | ||
| возврате | мм / с | 60 | ||
| 7 | Размер рабочий стол | Фронт-назад | мм | 1500 |
| Лево право | мм | 1500 | ||
| 8 | Высота между столом и полом | мм | 1400 | |
| 9 | Диаметр заглушки | мм | 200 | |
| 10 | Мощность двигателя | кВт | 22 | |
Послепродажное обслуживание:
1. Продавец прошел сертификацию системы качества ISO9001 с 1997 года и всегда строго соблюдает это качество.
Система управления в нашей компании и на наших продуктах.
Вся продукция до начала производства была строго проверена и соответствует техническому соглашению и
стандарт.
2. Гарантийный срок составляет один год с даты выдачи B / L или даты окончательной приемки тяжелой техники. Дольше гарантия
может быть приобретен пользователем.
3. Ввод в эксплуатацию: для тяжелой техники продавец отправляет техников (электрические, гидравлические и механические)
руководство по установке, тестированию и обучению операторов от 7 до 45 дней после машины
достигает фабрики пользователя. Но авиабилеты туда и обратно, местное проживание и пособие
(100 долларов США на человека в день) в стране пользователя будет обременена покупателем. Вышеуказанные расходы не будут
включены в предложение. Это пункты будут показаны в договоре.
3. Для среднего и мелкого стандартного оборудования им легко управлять в соответствии с инструкцией по эксплуатации. Пользователь
Сначала предложили внимательно прочитать руководство по эксплуатации, затем запустить машину. Любые неясные вопросы, пожалуйста, почувствуйте
свободно связаться с продавцом.
Если Пользователь настаивает на предоставлении технического обслуживания на заводе-изготовителе, пожалуйста, обратитесь к пунктам 2 послепродажного обслуживания.
служба.
4. Все товары Продавца могут быть отслежены по заводскому номеру. Запасные части могут поставляться так же, как бывшие,
что полезно для особых требований к дизайну клиентов.
5. Расходные материалы могут быть бесплатно доставлены клиенту в течение одного года с даты поставки, а также
услуги долгосрочного технического консультанта доступны.
6. Распространенная ошибка может быть решена с помощью электронной почты, телефона и видеосвязи на расстоянии. Пользователь должен предоставить полный
описание неисправности, четкие картинки и видео, если это возможно.
Как только возникла серьезная проблема с качеством из-за производственной причины Продавца в течение одного года с
B / L дата или дата окончательной приемки тяжелой техники. Продавец отправит их технику для ремонта.
7. После годичной гарантии Продавец предоставит бесплатную техническую консультацию и запасные части и техник.
сервис по самой низкой цене.
Глубокая глотка C Тип Пресс / Гидравлический Пресс
Модель: Y41-315
Функции:
- сварная рама машины для снятия внутреннего напряжения в печи
- тип C глубокая глотка
- Направляющий блок скольжения с высокой жесткостью, круглая направляющая
- Сдвиньте блок, соединяющий шток поршня масляного цилиндра, для перемещения вверх и вниз с помощью четырех направляющих колонок.
- С Т-образным пазом на рабочем столе и скользящим блоком, используемым для установки инструментов.
- Один поршневой цилиндр для достижения основного давления
- Закрытый масляный бак
- Функция защиты от перегрузки от нагрузки для гидравлической системы с небольшим воздействием
- Автономный электрический шкаф справа от машины
- Централизованная панель управления с рабочим индикатором
- с регулировкой и полуавтоматическими операциями
- Кнопка аварийного останова может остановить машину в чрезвычайных ситуациях
- С бесконтактным переключателем на точке изменения скорости, регулируемой точкой верхнего предела и фиксированной точкой хода для продления срока службы машины.
- Верхнее и нижнее предельные положения масляного цилиндра контролируются переключателями хода для обеспечения безопасной работы масляного цилиндра
Основные технические данные
| Нет. | имя | Единица измерения | Значение | |
| 1 | Номинальное давление | кН | 3150 | |
| 2 | Рабочее давление жидкости | Мпа | 25 | |
| 3 | Макс. Высота открытия | мм | 800 | |
| 4 | Инсульт | мм | 800 | |
| 5 | Глубина горла | мм | 350 | |
| 6 | Скорость плунжера | Приближаясь | мм / с | 80 |
| Работает | мм / с | 8-10 | ||
| возврате | мм / с | 60 | ||
| 7 | Размер рабочий стол | Фронт-назад | мм | 1500 |
| Лево право | мм | 1500 | ||
| 8 | Высота между столом и полом | мм | 1400 | |
| 9 | Диаметр заглушки | мм | 200 | |
| 10 | Мощность двигателя | кВт | 22 | |
Послепродажное обслуживание:
1. Продавец прошел сертификацию системы качества ISO9001 с 1997 года и всегда строго соблюдает это качество.
Система управления в нашей компании и на наших продуктах.
Вся продукция до начала производства была строго проверена и соответствует техническому соглашению и
стандарт.
2. Гарантийный срок составляет один год с даты выдачи B / L или даты окончательной приемки тяжелой техники. Дольше гарантия
может быть приобретен пользователем.
3. Ввод в эксплуатацию: для тяжелой техники продавец отправляет техников (электрические, гидравлические и механические)
руководство по установке, тестированию и обучению операторов от 7 до 45 дней после машины
достигает фабрики пользователя. Но авиабилеты туда и обратно, местное проживание и пособие
(100 долларов США на человека в день) в стране пользователя будет обременена покупателем. Вышеуказанные расходы не будут
включены в предложение. Это пункты будут показаны в договоре.
3. Для среднего и мелкого стандартного оборудования им легко управлять в соответствии с инструкцией по эксплуатации. Пользователь
Сначала предложили внимательно прочитать руководство по эксплуатации, затем запустить машину. Любые неясные вопросы, пожалуйста, почувствуйте
свободно связаться с продавцом.
Если Пользователь настаивает на предоставлении технического обслуживания на заводе-изготовителе, пожалуйста, обратитесь к пунктам 2 послепродажного обслуживания.
служба.
4. Все товары Продавца могут быть отслежены по заводскому номеру. Запасные части могут поставляться так же, как бывшие,
что полезно для особых требований к дизайну клиентов.
5. Расходные материалы могут быть бесплатно доставлены клиенту в течение одного года с даты поставки, а также
услуги долгосрочного технического консультанта доступны.
6. Распространенная ошибка может быть решена с помощью электронной почты, телефона и видеосвязи на расстоянии. Пользователь должен предоставить полный
описание неисправности, четкие картинки и видео, если это возможно.
Как только возникла серьезная проблема с качеством из-за производственной причины Продавца в течение одного года с
B / L дата или дата окончательной приемки тяжелой техники. Продавец отправит их технику для ремонта.
7. После годичной гарантии Продавец предоставит бесплатную техническую консультацию и запасные части и техник.
сервис по самой низкой цене.