/
/
/
/
C-образный одностоечный гидравлический пресс (Y41)
Дом » Товары » Гидравлический пресс » Одностоечный гидравлический пресс » C-образный одностоечный гидравлический пресс (Y41)

Список категорий

сопутствующие товары

Новости по теме

Содержание пуста!

loading

Поделиться с:
sharethis sharing button

C-образный одностоечный гидравлический пресс (Y41)

Количество:
  • Y41

  • Гидравлическое давление

  • Нормальная точность

  • CE, ISO 9001

  • новый

  • ТСД

  • контейнером со слоем мягкой пленки

  • Y41

  • Китай

  • 8462919000

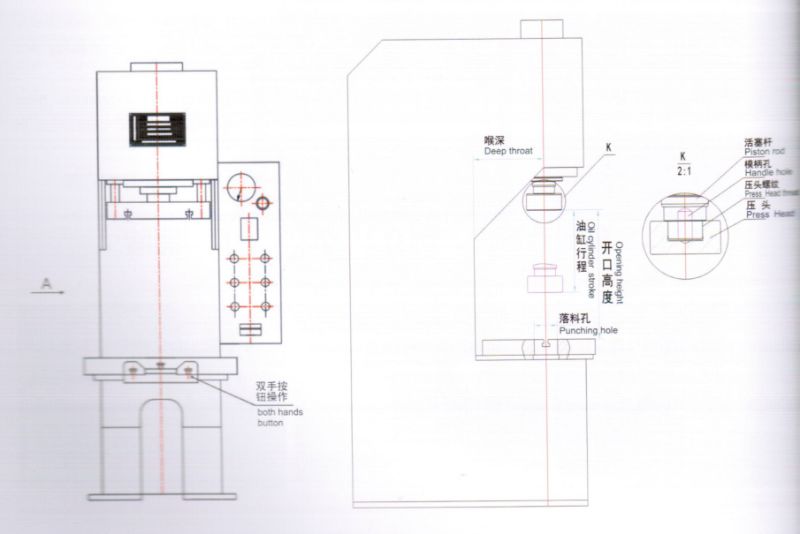
Машина характеризуется длинным рабочим столом \ глубоким горлом, широкой горловиной подачи, быстрой скоростью, удобной подачей и выгрузкой, точной и надежной обработкой, различными функциями и простотой эксплуатации. Широко используется в процессах прессового монтажа, правки, волочения и гибки механического производства, которое является незаменимым оборудованием в области автомобилестроения, машиностроения, железнодорожного локомотива, металлургии, электричества, нефтяного машиностроения и авиастроения.

Тип
имя
Y41-200 / 1400 * 4000 Y41-300 / 1400 * 4000 Y41-315 / 1800 * 1800 Y41-400 / 1800 * 1800 Y41-630 / 1500 * 1800 Y41-630 / 1800 * 2000 Y41-800 / 2000 * 2500 Y41-1000 / 12000 * 2500




Номинальное давление (кН) 2000 3000 3150 4000 6300 6300 8000 10000

Ширина стола (L-R
0 (мм)
4000 4000 1800 1800 1800 2000 2500 2500

Ширина стола (F-B) (мм) 1400 1400 1500 1500 1500 800 2000 2000



Максимальная высота открытия (мм) 1500 1800 1500 1500 1500 1500 1500 1500
Глубина горла (мм) 750 750 1000 1300 1000 600 1500 1500
Ход индентора (мм) 500 600 800 800 800 500 1300 1300
Скорость напора воздуховода нисходящей линии (мм / сек) 80 80 80 60 60 60 120 120
Напорная рабочая скорость (мм / сек) 10 3.7 8 7.5 3 3 6 ~ 12 6`12
Скорость возврата напора (мм / сек) 80 80 100 70 70 70 74 74
Мощность (кВт) 22 22 37 37 37 37 55 55
Габаритные размеры (Д * Ш * В) 4400 * 3117 * 5207 4394 * 4080 * 5900 2840 * 5000 * 5320 2840 * 5310 * 5320 2840 * 4500 * 5800 2840 * 4010 * 4900 2500 * 5000 * 7000 2500 * 5000 * 7500
Вес (кг) 21500 26500 40000 47500 60000 50000 85000 100000


С-образный одностоечный гидравлический пресс (Y41)


Послепродажное обслуживание:
1.SЭллер прошел сертификацию системы качества ISO9001поскольку1997и всегда выполняем строго это качество
Система управления в нашей компании и на наших продуктах
.

Вся продукция до начала производства была строго проверена и соответствует техническому соглашению и
стандарт.

2. Гарантийный срок составляет один год с даты выдачи B / L или даты окончательной приемки тяжелой техники. Дольше гарантия
может быть приобретен пользователем.

3.Ввод в эксплуатацию: для тяжелой техники, SЭллер отправитьs техники(электрическийгидравлическийи механический)
руководить установкой
,тестированиеи обучение операторов от 7 дней до 45дней после машины
досягаемость
эсфабрикапользователь. Но туда-обратно авиабилеты, местное проживание и пособие
(USD100 / чел
·день)вПользователь'sстрана будет обремененаBuyer. Вышеуказанные расходы не будут
включены в
предлагает.Это пункты будут показаны в договоре.

3. Для среднего и мелкого стандартного оборудования им легко управлять в соответствии с инструкцией по эксплуатации. Пользователь
Сначала предложили внимательно прочитать руководство по эксплуатации, затем запустить машину. Любые неясные вопросы,
пожалуйстаЧувствовать
свободно связаться с продавцом.

Если Пользователь настаивает на предоставлении технической услуги при использовании'с завода, пожалуйста, обратитесь к пунктам № 2 после продажи-
служба.

4. Все товары Продавца могут быть отслежены по заводскому номеру. Запасные части могут поставляться так же, как бывшие,
что полезно для клиентов
'особые требования к проектированию.

5. Расходные материалы могут быть поставленыбесплатно дляпокупательв течение одного годагарантияизB / L датаи
услуги долгосрочного технического консультанта
доступен.

6. Общеенеисправность может быть решена с помощью электронной почты, телефона и видеосвязи на расстоянииUсердолжен поставлять полный
описание неисправности, четкие картинки и видео, если это возможно.

Как только возникла серьезная проблема качества из-заSЭллер-хпроизводствопричина в течение одного года с
КоносаментДатаили окончательная дата приемки тяжелой техники. TонSЭллер отправит ихтехникотремонтировать его.

7, После годичной гарантии,продавецбудет предоставлятьбесплатная техническая консультация изапасной частии техник
сервис по самой низкой цене.

предыдущий: 
следующий: 

Качество во-первых, клиент во-первых

Центр исследований и разработок TSD был удостоен звания Национального центра исследований и разработок. Мы рады получить ваш запрос, и мы вернемся к нему как можно скорее.
Больше

Поделиться этим

Быстрые ссылки

Связаться с нами

Тел: + 86-938-2621183
Моб .: + 86-13830852097
Головной офисNorth Weibin Road, Майдзи
Район города Тяньшуй провинции Ганьсу 741020 P.R.China
Эл. адрес:sales@tsdpressbrake.com
GET IN TOUCH
Copyright © Tianshui Металлообрабатывающий станок (группа) ЛтдКарта сайта
Технология отleadong