Содержание пуста!
Y41-40
TSD
Y41-40
ТСД
контейнером со слоем мягкой пленки
Y41-40
Китай
8462919000
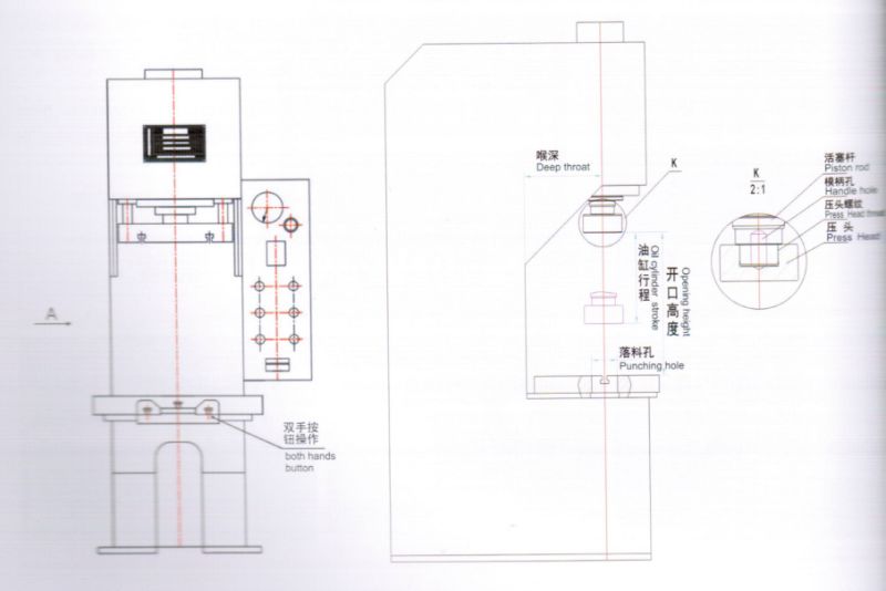
C-образный гидравлический пресс для правки и запрессовки
Модель: Y41-40
Характеристики:
- Компьютерная оптимизированная вертикальная конструкция C-образной рамы с высокой жесткостью
- Привлекательный и аккуратный внешний вид, с системой привода внутри рамы
- Ручной клапан управления направлен в гидравлическую систему для простого регулирования скорости
- Ручка или педаль по выбору оператора
- Ход и давление могут быть отрегулированы в указанных пределах.
Параметры
- Правильный стол
| Нет. | технические параметры | Единица измерения | Y41-16 | Y41-25 | Y41-40 | Y41-63 | Y41-100 | Y41-160 | Y41-200 | Y41-315 | Y41-400 | |
| 1 | Номинальное давление | кН | 160 | 250 | 400 | 630 | 1000 | 1600 | 2000 | 3150 | 4000 | |
| 2 | Макс.гидравлическое давление | кН | 20 | 16 | 16 | 25 | 25 | 25 | 25 | 25 | 25 | |
| 3 | Ход слайда | Мпа | 400 | 400 | 400 | 500 | 600 | 700 | 700 | 800 | 800 | |
| 4 | дневной свет | мм | 500 | 630 | 630 | 750 | 800 | 900 | 1000 | 1100 | 1250 | |
| 5 | Глубина горла | мм | 250 | 350 | 350 | 320 | 400 | 420 | 450 | 800 | 1500 | |
| 6 | Скорость скольжения | спуск | мм / с | 80 | 80 | 120 | 100 | 80 | 80 | 80 | 80 | |
| прессование | 18-20 | 18-20 | 18-20 | 18-20 | 15-20 | 10-12 | 10-15 | 8-10 | 10-12 | |||
| возврате | 50 | 75 | 75 | 100 | 100 | 70 | 70 | 60 | 55 | |||
| 7 | Эффективная площадь рабочего стола | L-R, | мм | 500 | 580 | 700 | 710 | 800 | 900 | 900 | 1500 | 2000 |
| Р-В | 450 | 570 | 570 | 600 | 700 | 800 | 900 | 1500 | 1800 | |||
| 8 | Высота от рабочего стола до пола | мм | 710 | 710 | 710 | 810 | 800 | 900 | 900 | 1400 | 1400 | |
| 9 | Диаметр капельного отверстия | мм | 100 | 100 | 100 | |||||||
| 10 | Мощность двигателя | кВт | 4 | 5.5 | 5.5 | 7.5 | 7.5 | 11 | 15 | 22 | 22 | |
Послепродажное обслуживание:
1. Продавец прошел сертификацию системы качества ISO9001 с 1997 года и всегда строго соблюдает это качество.
Система управления в нашей компании и на наших продуктах.
Вся продукция до начала производства была строго проверена и соответствует техническому соглашению и
стандарт.
2. Гарантийный срок составляет один год с даты выдачи B / L или даты окончательной приемки тяжелой техники. Дольше гарантия
может быть приобретен пользователем.
3. Ввод в эксплуатацию: для тяжелой техники продавец отправляет техников (электрические, гидравлические и механические)
руководство по установке, тестированию и обучению операторов от 7 до 45 дней после машины
достигает фабрики пользователя. Но авиабилеты туда и обратно, местное проживание и пособие
(100 долларов США на человека в день) в стране пользователя будет обременена покупателем. Вышеуказанные расходы не будут
включены в предложение. Это пункты будут показаны в договоре.
3. Для среднего и мелкого стандартного оборудования им легко управлять в соответствии с инструкцией по эксплуатации. Пользователь
Сначала предложили внимательно прочитать руководство по эксплуатации, затем запустить машину. Любые неясные вопросы, пожалуйста, почувствуйте
свободно связаться с продавцом.
Если Пользователь настаивает на предоставлении технического обслуживания на заводе-изготовителе, пожалуйста, обратитесь к пунктам 2 послепродажного обслуживания.
служба.
4. Все товары Продавца могут быть отслежены по заводскому номеру. Запасные части могут поставляться так же, как бывшие,
что полезно для особых требований к дизайну клиентов.
5. Расходные материалы могут быть бесплатно доставлены клиенту в течение одного года с даты поставки, а также
услуги долгосрочного технического консультанта доступны.
6. Распространенная ошибка может быть решена с помощью электронной почты, телефона и видеосвязи на расстоянии. Пользователь должен предоставить полный
описание неисправности, четкие картинки и видео, если это возможно.
Как только возникла серьезная проблема с качеством из-за производственной причины Продавца в течение одного года с
B / L дата или дата окончательной приемки тяжелой техники. Продавец отправит их технику для ремонта.
7. После годичной гарантии Продавец предоставит бесплатную техническую консультацию и запасные части и техник.
сервис по самой низкой цене.
C-образный гидравлический пресс для правки и запрессовки
Модель: Y41-40
Характеристики:
- Компьютерная оптимизированная вертикальная конструкция C-образной рамы с высокой жесткостью
- Привлекательный и аккуратный внешний вид, с системой привода внутри рамы
- Ручной клапан управления направлен в гидравлическую систему для простого регулирования скорости
- Ручка или педаль по выбору оператора
- Ход и давление могут быть отрегулированы в указанных пределах.
Параметры
- Правильный стол
| Нет. | технические параметры | Единица измерения | Y41-16 | Y41-25 | Y41-40 | Y41-63 | Y41-100 | Y41-160 | Y41-200 | Y41-315 | Y41-400 | |
| 1 | Номинальное давление | кН | 160 | 250 | 400 | 630 | 1000 | 1600 | 2000 | 3150 | 4000 | |
| 2 | Макс.гидравлическое давление | кН | 20 | 16 | 16 | 25 | 25 | 25 | 25 | 25 | 25 | |
| 3 | Ход слайда | Мпа | 400 | 400 | 400 | 500 | 600 | 700 | 700 | 800 | 800 | |
| 4 | дневной свет | мм | 500 | 630 | 630 | 750 | 800 | 900 | 1000 | 1100 | 1250 | |
| 5 | Глубина горла | мм | 250 | 350 | 350 | 320 | 400 | 420 | 450 | 800 | 1500 | |
| 6 | Скорость скольжения | спуск | мм / с | 80 | 80 | 120 | 100 | 80 | 80 | 80 | 80 | |
| прессование | 18-20 | 18-20 | 18-20 | 18-20 | 15-20 | 10-12 | 10-15 | 8-10 | 10-12 | |||
| возврате | 50 | 75 | 75 | 100 | 100 | 70 | 70 | 60 | 55 | |||
| 7 | Эффективная площадь рабочего стола | L-R, | мм | 500 | 580 | 700 | 710 | 800 | 900 | 900 | 1500 | 2000 |
| Р-В | 450 | 570 | 570 | 600 | 700 | 800 | 900 | 1500 | 1800 | |||
| 8 | Высота от рабочего стола до пола | мм | 710 | 710 | 710 | 810 | 800 | 900 | 900 | 1400 | 1400 | |
| 9 | Диаметр капельного отверстия | мм | 100 | 100 | 100 | |||||||
| 10 | Мощность двигателя | кВт | 4 | 5.5 | 5.5 | 7.5 | 7.5 | 11 | 15 | 22 | 22 | |
Послепродажное обслуживание:
1. Продавец прошел сертификацию системы качества ISO9001 с 1997 года и всегда строго соблюдает это качество.
Система управления в нашей компании и на наших продуктах.
Вся продукция до начала производства была строго проверена и соответствует техническому соглашению и
стандарт.
2. Гарантийный срок составляет один год с даты выдачи B / L или даты окончательной приемки тяжелой техники. Дольше гарантия
может быть приобретен пользователем.
3. Ввод в эксплуатацию: для тяжелой техники продавец отправляет техников (электрические, гидравлические и механические)
руководство по установке, тестированию и обучению операторов от 7 до 45 дней после машины
достигает фабрики пользователя. Но авиабилеты туда и обратно, местное проживание и пособие
(100 долларов США на человека в день) в стране пользователя будет обременена покупателем. Вышеуказанные расходы не будут
включены в предложение. Это пункты будут показаны в договоре.
3. Для среднего и мелкого стандартного оборудования им легко управлять в соответствии с инструкцией по эксплуатации. Пользователь
Сначала предложили внимательно прочитать руководство по эксплуатации, затем запустить машину. Любые неясные вопросы, пожалуйста, почувствуйте
свободно связаться с продавцом.
Если Пользователь настаивает на предоставлении технического обслуживания на заводе-изготовителе, пожалуйста, обратитесь к пунктам 2 послепродажного обслуживания.
служба.
4. Все товары Продавца могут быть отслежены по заводскому номеру. Запасные части могут поставляться так же, как бывшие,
что полезно для особых требований к дизайну клиентов.
5. Расходные материалы могут быть бесплатно доставлены клиенту в течение одного года с даты поставки, а также
услуги долгосрочного технического консультанта доступны.
6. Распространенная ошибка может быть решена с помощью электронной почты, телефона и видеосвязи на расстоянии. Пользователь должен предоставить полный
описание неисправности, четкие картинки и видео, если это возможно.
Как только возникла серьезная проблема с качеством из-за производственной причины Продавца в течение одного года с
B / L дата или дата окончательной приемки тяжелой техники. Продавец отправит их технику для ремонта.
7. После годичной гарантии Продавец предоставит бесплатную техническую консультацию и запасные части и техник.
сервис по самой низкой цене.