/
/
/
/
Гидравлический пресс с C-образной рамой для правки и запрессовки (Y41-25)
Дом » Товары » Гидравлический пресс » Одностоечный гидравлический пресс » Гидравлический пресс с C-образной рамой для правки и запрессовки (Y41-25)

Список категорий

сопутствующие товары

Новости по теме

Содержание пуста!

loading

Поделиться с:
sharethis sharing button

Гидравлический пресс с C-образной рамой для правки и запрессовки (Y41-25)

Количество:
  • Y41-25

  • ТСД

  • контейнером со слоем мягкой пленки

  • Y41-25

  • Китай

  • 8462919000

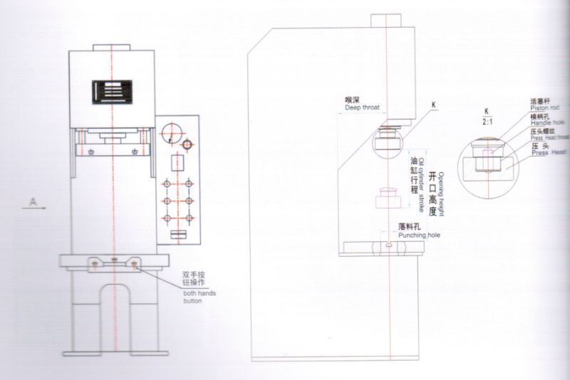
C-образный гидравлический пресс для правки и запрессовки
Модель: Y41-25

Характеристики:
- Компьютерная оптимизированная вертикальная конструкция C-образной рамы с высокой жесткостью
- Привлекательный и аккуратный внешний вид, с системой привода внутри рамы
- Ручной клапан управления направлен в гидравлическую систему для простого регулирования скорости
- Ручка или педаль по выбору оператора
- Ход и давление могут быть отрегулированы в указанных пределах.


Параметры
- Правильный стол


Нет. технические параметры Единица измерения Y41-16 Y41-25 Y41-40 Y41-63 Y41-100 Y41-160 Y41-200 Y41-315 Y41-400
1 Номинальное давление кН 160 250 400 630 1000 1600 2000 3150 4000
2 Макс.гидравлическое давление кН 20 16 16 25 25 25 25 25 25
3 Ход слайда Мпа 400 400 400 500 600 700 700 800 800
4 дневной свет мм 500 630 630 750 800 900 1000 1100 1250
5 Глубина горла мм 250 350 350 320 400 420 450 800 1500
6 Скорость скольжения спуск мм / с
80 80 120 100 80 80 80 80
прессование 18-20 18-20 18-20 18-20 15-20 10-12 10-15 8-10 10-12
возврате 50 75 75 100 100 70 70 60 55
7 Эффективная площадь рабочего стола L-R, мм 500 580 700 710 800 900 900 1500 2000
Р-В 450 570 570 600 700 800 900 1500 1800
8 Высота от рабочего стола до пола мм 710 710 710 810 800 900 900 1400 1400
9 Диаметр капельного отверстия мм
100 100 100




10 Мощность двигателя кВт 4 5.5 5.5 7.5 7.5 11 15 22 22


Гидравлический пресс с C-образной рамой для правки и запрессовки (Y41-25)

Послепродажное обслуживание:
1. Продавец прошел сертификацию системы качества ISO9001 с 1997 года и всегда строго соблюдает это качество.
Система управления в нашей компании и на наших продуктах.
Вся продукция до начала производства была строго проверена и соответствует техническому соглашению и
стандарт.
2. Гарантийный срок составляет один год с даты выдачи B / L или даты окончательной приемки тяжелой техники. Дольше гарантия
может быть приобретен пользователем.
3. Ввод в эксплуатацию: для тяжелой техники продавец отправляет техников (электрические, гидравлические и механические)
руководство по установке, тестированию и обучению операторов от 7 до 45 дней после машины
достигает фабрики пользователя. Но авиабилеты туда и обратно, местное проживание и пособие
(100 долларов США на человека в день) в стране пользователя будет обременена покупателем. Вышеуказанные расходы не будут
включены в предложение. Это пункты будут показаны в договоре.
3. Для среднего и мелкого стандартного оборудования им легко управлять в соответствии с инструкцией по эксплуатации. Пользователь
Сначала предложили внимательно прочитать руководство по эксплуатации, затем запустить машину. Любые неясные вопросы, пожалуйста, почувствуйте
свободно связаться с продавцом.
Если Пользователь настаивает на предоставлении технического обслуживания на заводе-изготовителе, пожалуйста, обратитесь к пунктам 2 послепродажного обслуживания.
служба.
4. Все товары Продавца могут быть отслежены по заводскому номеру. Запасные части могут поставляться так же, как бывшие,
что полезно для особых требований к дизайну клиентов.
5. Расходные материалы могут быть бесплатно доставлены клиенту в течение одного года с даты поставки, а также
услуги долгосрочного технического консультанта доступны.
6. Распространенная ошибка может быть решена с помощью электронной почты, телефона и видеосвязи на расстоянии. Пользователь должен предоставить полный
описание неисправности, четкие картинки и видео, если это возможно.
Как только возникла серьезная проблема с качеством из-за производственной причины Продавца в течение одного года с
B / L дата или дата окончательной приемки тяжелой техники. Продавец отправит их технику для ремонта.
7. После годичной гарантии Продавец предоставит бесплатную техническую консультацию и запасные части и техник.
сервис по самой низкой цене.

Гидравлический пресс с C-образной рамой для правки и запрессовки (Y41-25)
предыдущий: 
следующий: 

Качество во-первых, клиент во-первых

Центр исследований и разработок TSD был удостоен звания Национального центра исследований и разработок. Мы рады получить ваш запрос, и мы вернемся к нему как можно скорее.
Больше

Поделиться этим

Быстрые ссылки

Связаться с нами

Тел: + 86-938-2621183
Моб .: + 86-13830852097
Головной офисNorth Weibin Road, Майдзи
Район города Тяньшуй провинции Ганьсу 741020 P.R.China
Эл. адрес:sales@tsdpressbrake.com
GET IN TOUCH
Copyright © Tianshui Металлообрабатывающий станок (группа) ЛтдКарта сайта
Технология отleadong